Каталог

Блок выпрямительный к ВДГ-401 (СЭЛ.0026)

Код товара: 302677
Блок выпрямительный к ВДГ-401 (СЭЛ.0026)
Код товара: 302677
Цена
договорная
Доступен под заказ

Товар доступен под заказ.
Наш менеджер свяжется с вами после оформления заказа.

Оплата

Банковской картой на сайте

При любой сумме заказа при 100% предоплате (Доставка до транспортной компании в Екатеринбурге — бесплатно)

Оплата на р\с

При любой сумме заказа при 100% предоплате (Доставка до транспортной компании в Екатеринбурге — бесплатно)

Доставка

Доставка курьерской службой «ИТС-Урал»

Доставка по г. Екатеринбург + 30 км (cтоимость рассчитывается менеджером). Бесплатная доставка при покупке от 20000 руб. в течение 3-х рабочих дней

Доставка транспортной компанией

При любой сумме заказа при 100% предоплате (Доставка до транспортной компании в Екатеринбурге — бесплатно)

Гарантия

Продукция изготавливается по самым современным технологиям, поэтому вы можете быть уверены в ее надежности и высоких потребительских характеристиках. В любой непонятной ситуации вы можете обратиться в авторизованный сервисный центр. Товар изготовлен с соблюдением всех требований государственных стандартов.

Описание

Выпрямительный блок, он же выпрямительный мост или диодный мост, предназначен для коммутации вторичной обмотки силового трансформатора, преобразования переменного тока в постоянный. Блок выпрямительный используется для комплектации сварочных аппаратов ВДГ-401. Комплект из двух деталей: Блок выпрямительный «Плюс» ЕВГИ.435781.005 и Блок выпрямительный «Минус» ЕВГИ.435781.004. Мост поставляется только комплектом из двух частей.

Подробнее

Производитель

Технические характеристики

Применение
ВДГ-401
Габаритные размеры (ДхШхВ), мм
230х280х100
Масса, кг
1.657

Подробное описание товара

Блок выпрямительный набран диодами, запрессованными в пластины радиатора охлаждения. Диоды соединены группами, образующими «плечи», а «плечи» в свою очередь соединены в мостовую шестипульсовую схему. Конструктивно данный диодный мост состоит из двух частей, работающих как одно целое. Такой способ позволяет использовать диоды небольшой мощности, не требующие громоздких радиаторов.
Конструкция позволяет снизить себестоимость детали, при этом, имея достаточный запас по мощности в данном габарите.

Мост поставляется только комплектом из двух частей!

Способ крепления: шпильки с резьбой М8, расстояние между шпильками 168 мм.
Способ подключения: болтовое М8, М10, расстояние между пластинами 28 мм.
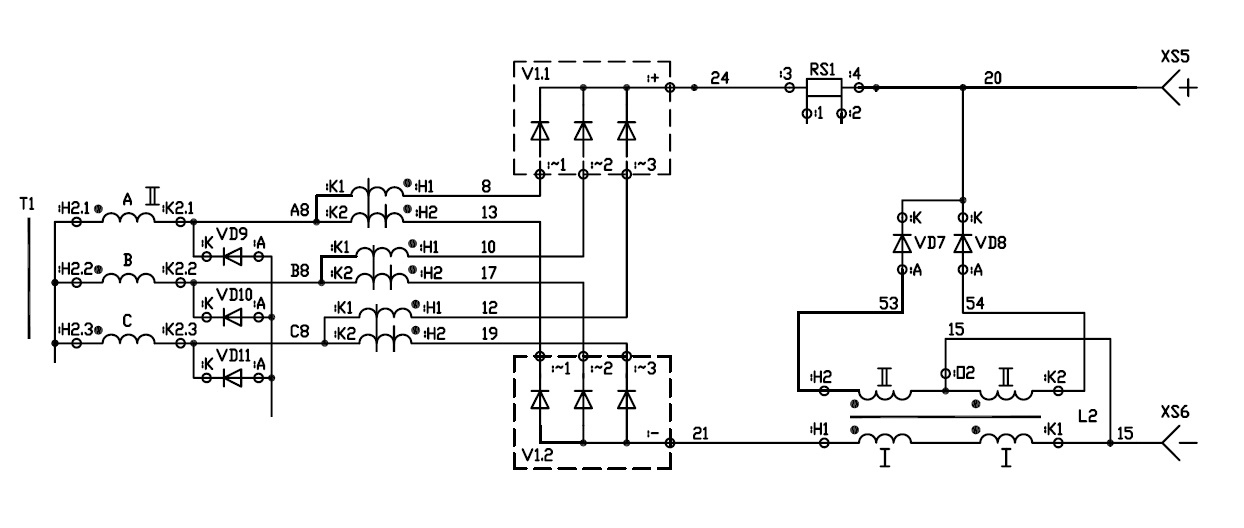
Способ подключения к вторичной обмотке трансформатора приведён на схеме ВДГ-401, где V1.1 - Блок выпрямительный «Плюс» ЕВГИ.435781.005, V1.2. - Блок выпрямительный «Минус» ЕВГИ.435781.004

Артикул производителя: СЭЛ.0026.

Купить выпрямительный блок к сварочному выпрямителю ВДГ-401 вы можете на сайте компании ИТС-Урал, добавив товар в корзину, позвонить по телефону (343) 222-1-999 или отправить запрос на почту website@ets-ural.ru

Loading...

Если и после этого останутся вопросы, вы можете попробовать оборудование в работе на производственном участке «ИТС-Урал» (услуга предоставляется на товар, который есть в наличии на складе в Екатеринбурге).
+7 (343) 222-1-999
Цена
договорная
Доступен под заказ

Товар доступен под заказ.
Наш менеджер свяжется с вами после оформления заказа.

Оплата

Банковской картой на сайте

При любой сумме заказа при 100% предоплате (Доставка до транспортной компании в Екатеринбурге — бесплатно)

Оплата на р\с

При любой сумме заказа при 100% предоплате (Доставка до транспортной компании в Екатеринбурге — бесплатно)

Доставка

Доставка курьерской службой «ИТС-Урал»

Доставка по г. Екатеринбург + 30 км (cтоимость рассчитывается менеджером). Бесплатная доставка при покупке от 20000 руб. в течение 3-х рабочих дней

Доставка транспортной компанией

При любой сумме заказа при 100% предоплате (Доставка до транспортной компании в Екатеринбурге — бесплатно)

Гарантия

Продукция изготавливается по самым современным технологиям, поэтому вы можете быть уверены в ее надежности и высоких потребительских характеристиках. В любой непонятной ситуации вы можете обратиться в авторизованный сервисный центр. Товар изготовлен с соблюдением всех требований государственных стандартов.

20 лет на рынке
Собственное производство
Адекватная стоимость
Свой сервисный центр
Более 3 000 аппаратов и аксессуаров

Стать корпоративным клиентом

  • Быть юридическим лицом или индивидуальным предпринимателем
  • Заключить договор поставки
  • Закупать сварочное оборудование и материалы в «ИТС-Урал»

Оставить заявку

Собственное производство

ООО «ИТС-Урал» входит в группу заводов сварочного оборудования «ИТС». АО «Научно-производственная фирма «ИТС» — ведущий российский производитель и поставщик сварочного оборудования и расходных материалов. Эта крупная специализированная Финансово-промышленная группа объединяет разработчиков, промышленные предприятия и центры по продаже и сервисному обслуживанию сварочного оборудования.

Компания «ИТС» была основана в 1991 году и сегодня представляет собой крупную промышленно-финансовую группу, в состав которой входят АО «Электромашиностроительный завод «ФИРМА СЭЛМА» (г. Симферополь), АО "ЭЛЕКТРОСВАРКА" (АО "ЭСВА") (г. Калининград).

Фундаментальное направление деятельности ООО «ИТС-Урал» — это комплексное решение задач для обеспечения сварочного производства в Уральском федеральном округе. Головной офис, розничные магазины, производство и склад компании базируются в Екатеринбурге.

Возможности ИТС-Урал

Cервисный центр

Официальный сервисный центр компании «ИТС-Урал» расположен на территории производственно-складского комплекса компании. Обслуживает и ремонтирует оборудование для сварки, резки и наплавки заводов СЭЛМА и ЭСВА, торговых марок BIMArc, Сварог, Ресанта, Кедр, Aurora и пр.

Сервисный центр

Модернизация

С 2012 года компания «ИТС-Урал» начала реализовывать самостоятельные проекты по переоснащению и реконструкции сварочного оборудования в сферах машиностроения, химической отрасли, нефтегазодобывающей отрасли и т.д. с использованием технических компонентов и оборудования ГК «ИТС». Сегодня «ИТС-Урал» одна из ведущих компаний на Урале на рынке ремонта и модернизации сложной техники для автоматизации сварочных процессов

Модернизация

Все услуги